1
/
of
9
Victron Energy Autotransformer 120/240V 100A
Victron Energy Autotransformer 120/240V 100A
Regular price
£420.00 GBP
Regular price
Sale price
£420.00 GBP
Unit price
/
per
Taxes included.
Shipping calculated at checkout.
Couldn't load pickup availability
Out of stock
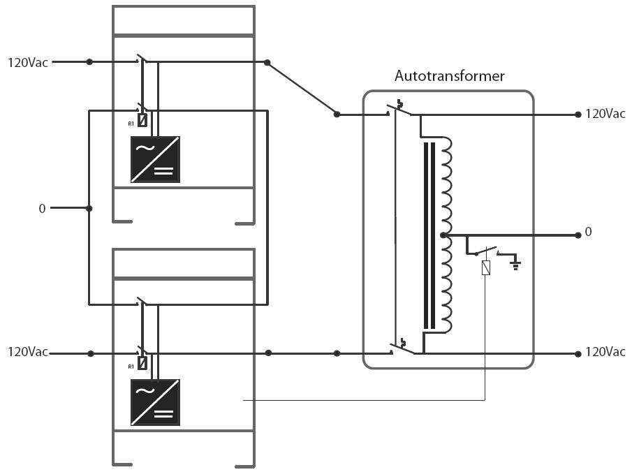
The Autotransformer: for step up, step down and split phase balancing
An autotransformer can be used for step up, step down and split phase output balancing purposes. While the step up and step down functions are fairly straightforward, split phase output balancing may require some more attention.
Consider for example a 30A 120/240V split phase supply.
The supply could be the grid, a generator or two stacked inverters
Some of the loads connected are 240V, others are 120V. On each 120V leg the load should not exceed 30A. The problem is that as soon as 120V loads are connected, the two legs will show a different current. This is because the 120V loads on the two legs will never be balanced. A 120V 1200W hairdryer, for example, will draw 10A from one leg. A 120V washing machine could even draw in excess of 20A from one leg. Between the two legs the difference in current, or current unbalance, will therefore often be 20A or more. This means that the 30A supply will not be used up to its full potential. By the time one leg draws 30A, the other leg may be drawing no more than 10A, and increasing the 240V load, for example, will result in an overload of one leg while the other leg still has spare capacity.
Theoretically, the total power that can be drawn from a 30A 120/240V supply is 30 x 240 = 7,2 kVA. In case of 20A unbalance, the practical maximum will be 30 x 120 + 10 x120 = 4,8kVA, or 67% of the theoretical maximum.
The solution is an Autotransformer
By leaving the neutral of the split phase supply unused, and connecting an Autotransformer to create a new neutral, as shown in figure 1, any load unbalance is ‘absorbed’ by the Autotransformer. In case of a 30A supply, the load can be increased to 7,2kVA, and a 20A load unbalance will result in one leg supplying 40A, and the other leg 20A. The 20A difference will flow through the neutral and the windings of the Autotransformer. The current through both 120V wires of the split phase supply will be 30A.
An autotransformer can be used for step up, step down and split phase output balancing purposes. While the step up and step down functions are fairly straightforward, split phase output balancing may require some more attention.
Consider for example a 30A 120/240V split phase supply.
The supply could be the grid, a generator or two stacked inverters
Some of the loads connected are 240V, others are 120V. On each 120V leg the load should not exceed 30A. The problem is that as soon as 120V loads are connected, the two legs will show a different current. This is because the 120V loads on the two legs will never be balanced. A 120V 1200W hairdryer, for example, will draw 10A from one leg. A 120V washing machine could even draw in excess of 20A from one leg. Between the two legs the difference in current, or current unbalance, will therefore often be 20A or more. This means that the 30A supply will not be used up to its full potential. By the time one leg draws 30A, the other leg may be drawing no more than 10A, and increasing the 240V load, for example, will result in an overload of one leg while the other leg still has spare capacity.
Theoretically, the total power that can be drawn from a 30A 120/240V supply is 30 x 240 = 7,2 kVA. In case of 20A unbalance, the practical maximum will be 30 x 120 + 10 x120 = 4,8kVA, or 67% of the theoretical maximum.
The solution is an Autotransformer
By leaving the neutral of the split phase supply unused, and connecting an Autotransformer to create a new neutral, as shown in figure 1, any load unbalance is ‘absorbed’ by the Autotransformer. In case of a 30A supply, the load can be increased to 7,2kVA, and a 20A load unbalance will result in one leg supplying 40A, and the other leg 20A. The 20A difference will flow through the neutral and the windings of the Autotransformer. The current through both 120V wires of the split phase supply will be 30A.
Specifications
Specifications
- GTIN: 8719076022428
- Transformer Type: Toroidal
- Input Circuit Breaker: 100A, two pole
- Maximum 240V Feed Through Current: 100A
- Protection Category: IP21
- Dimensions: H425 x W214 x D110mm
- Weight: 13.5Kg
- Warranty: 5 Years
- Country of Manufacture: India
SKU:ITR000100101
Share
